Prin inscriere:
Câștigati super premii la tombolele organizate de noi, mai multe detalii pe pagina de Facebook Depozit-Online.ro;
Sunteti primul care află cele mai tari oferte;
Sunteti mereu la curent cu noutățile.
*Prin abonarea din această pagină sunteti de acord să primiti prin e-mail promoții de la Depozit-Online.ro.
Dacă, în orice moment, considerati că nu mai vreti să fiti abonatul nostru, va puteti dezabona cu ușurință.
Consultanta gratuita.
Plata in rate prin card.
Preturi negociabile in functie de cantitate la materiale constructii.
Cadouri in raport cu valoarea comenzii.
Pentru materiale de constructii comanda minima este de 1000 lei.
Pentru toate produsele ce pot fi expediate prin curier comanda minima este de 500 lei.
Vrei un pret mai mic, nu gasesti ce cauti, cere oferta prin email la: sales@depozit-online.ro
Comenzi telefonice:
Materiale de constructii
0769088860
0769088862
0769088858 Scule, unelte, alte produse
0769088858
Luni - Vineri: 8:00 - 17:00
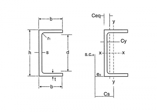
Profil UPE – profil U cu aripi paralele si largite.
Are aplicatii diverse pentru confectii/ constructii metalice, atat in domeniul civil cat si industrial.
Profilul UPE corespunde, in constructie in mare masura cu un profil UNP, diferenta este data de faptul ca UPE-ul are aripi paralele si largite spre deosebire de produsul standard care are marginile inclinate. UPE completeaza seria de profile IPE, deoarece inaltimile nominale au fost ajustate.
Avantaje:
Desi un profil UPE are aripi mai late si mai subtiri decat un UNP, pastreaza aceleasi caractersitici mecanice.
Pentru aceeasi rezistenta, folosirea de profile UPE in structuri ofera o reducere a greutatii de pana la 30% comparat cu profilele UNP.
Aceste beneficii pot reduce costurile de constructie si intretinere cu mai mult de 10%.
Calitate otel: S 235, S 275
Specificatii
Date tehnice
Latimea
120MM
Lungime
12M
General
Stoc
La comanda
Opinia cumparatorilor
Nu sunt comentarii !
Promotii active:
Comanda produse de peste 30.000 lei, TVA inclus pentru a beneficia de transport GRATUIT oriunde in tara! (Se aplica comenzilor cu o greutate de maxim 3,5 tone si volum de maxim 20 metri cubi. Pentru mai multe detalii, va rugam sa ne contactati prin email sau telefon.)
Depozit-Online.ro te rasplateste acum cu mii de cadouri!
Comanda online in valoare de minim 1000 RON (TVA inclus) oricare din produsele
de aici in perioada 16 noiembrie - 30 noiembrie 2025 si primesti
cadouri in functie de valoarea comenzii. Detalii mai multe la agentii de vanzari, sunati acum
la numerele de contact 0769088858 sau 0769088860.
Promotia nu se cumuleaza cu alte promotii sau reduceri si este valabila in limita stocului
existent pentru produsele comandate.
Economiseste sume importante de bani cu Programul de custodie marfa la Depozit-Online.ro.
Cei care doresc sa inceapa constructia unei case sau diverse alte lucrari de modernizare sau modificare a locuintei in primavara 2026
pot beneficia de avantajele unui contract de custodie marfa.
Click aici pentru detalii.
Toate promotiile de mai sus sunt valabile pentru comenzi unice, nu se pot cumula mai multe comenzi efectuate consecutiv sau pe o anumita perioada de timp pentru a benficia de una din promotiile active. Un client are dreptul de a efectua mai multe comenzi unice care se incadreaza in criteriile de acordare a unei promotii.
Oferte de finantare in rate:
Calculator rate
Perioada:
Suma:
Rata: 192.16 lei/luna
Dobanda: 0,00%
NOU!!!
Poti plati in 6 rate fara dobanda numai in magazinul nostru direct aplicand online.
Platile sunt procesate direct de catre banca emitenta, CreditEurope Bank.
Cum puteti obtine CardAvantaj?
Puteti merge la orice sucursala Credit Europe Bank.
Aplicati on-line pe www.cardavantaj.ro la sectiunea "Aplica acum".
Sunati la CEBLine apeland numerele 0801.000.000 (apelabil din reteaua fixa Romtelecom) sau 0750.000.000 (apelabil din orice retea) si solicitati emiterea unui CardAvantaj.
Calculator rate
Perioada:
Suma:
Rata: 192.16 lei/luna
Dobanda: 0,00%
Poti plati in 6 rate fara dobanda numai in magazinul nostru direct online.
Platile sunt procesate direct de catre banca emitenta, CreditEurope Bank.
Cum puteti obtine CardAvantaj?
Puteti merge la orice sucursala Credit Europe Bank.
Aplicati on-line pe www.cardavantaj.ro la sectiunea "Aplica acum".
Sunati la CEBLine apeland numerele 0801.000.000 (apelabil din reteaua fixa Romtelecom) sau 0750.000.000 (apelabil din orice retea) si solicitati emiterea unui CardAvantaj.
Calculator rate
Perioada:
Suma:
Rata: 192.16 lei/luna
Dobanda: 0,00%
NOU!!!
Poti plati acum in rate lunare fixe, fara dobanda cu cardul tau de cumparaturi StarBT emis de banca Transilvania la Depozit-Online.ro!
Maxim 8 rate fara dobanda, oferta valabila pentru magazinul nostru .
Platile sunt procesate direct de catre banca emitenta Banaca Transilvania.
Sunt incluse in program cardurile de credit: MasterCard Forte, MasterCard Forte pentru Medici, Visa Gold, Visa Gold BT - Rotary si Visa Platinum emise de Banca Transilvania.
Comod, sigur, ieftin numai la Depozit-Online.ro!
Cum poti obtine cardul de credit StarBT cu plata in rate de la Banca Transilvania?
Acceseaza www.starBT.ro sau la numarul de telefon gratuit apelabil din reteaua Romtelecom 0800.802.273 sau la orice sucursala Banca Transilvania.
Calculator rate
Perioada:
Suma:
Rata: 192.16 lei/luna
Dobanda: 0,00%
NOU!!!
Poti plati acum in maxim 6 rate lunare fixe, fara dobanda, cu cardul tau de cumparaturi Bonus Card de la Garanti Bank!
Maxim 6 rate fara dobanda, oferta valabila pentru magazinul nostru.
Comod, sigur, ieftin numai la Depozit-Online.ro!
Cum poti obtine cardul de credit cu plata in rate Bonus Card de la Garanti Bank?
Acceseaza Bonus Card sau mergi in orice sucursala Garanti Bank.